24 Volt Wiring Diagram For Trolling Motor : 24 Volt Trolling Motor Wiring With Charger Boat Wiring Trolling Motor Diagram : Positive to neg, in a loop going to the motor.. Electric wiring diagrams, circuits, schematics of cars, trucks & motorcycles. I've purchased the book 12 volt bible for boats & have been learning much about the. An alternative to this design is to build a latching circuit allowing the use of momentary contact switches most on/off motor control circuits in the united states are some variation on this wiring theme, if not identical to it. They only supply a wiring diagram that is good. Here you will find the necessary wiring diagrams, schematics, circuits.

Discussion in 'onboard electronics & controls' started by boatbybrylk, nov 18, 2011. They only supply a wiring diagram that is good. Three way wiring diagram multiple lights. Repair, mount, operation and maintenance manual pdf. If i can hard wire it, how do i do it since its 24v?

A Trolling Motor Purchase Is Made Simple When All The Necessary Factors Are Considered
A Trolling Motor Purchase Is Made Simple When All The Necessary Factors Are Considered from www.fishing-tips-bait-tackle.com
Repair, mount, operation and maintenance manual pdf. The motor runs when the switch is in the closed state, and stops when the switch opens. Is there a 120 ac dimmer switch wiring diagram for 24 volt dc motor? 2008 ford f150 radio wiring diagram. To get 24 volts from two 12 volt batteries, hook the positive post from one battery to the negative post of the other. I learned from comments placed here by other. 24 volt dc motor is best for generate electricity. Does the trolling motor protect the 12 volt engine from to much voltage.

Let me see if i can find a wiring diagram for you.

The perfect 24v series trolling motor and battery connection. If i can hard wire it, how do i do it since its 24v? 3ø wiring diagrams diagram dd1. We are not wired yet how do you wire the 24 volt with two 12volt battery and protect your engine if one 12 volt is your cranking battery. Motor vehicle maintenance & repair stack exchange is a question and answer site for mechanics and diy enthusiast owners of cars, trucks, and thank you, i found a solution to my dilemma they have diagrams on their site also i have a response below explaining more yandina.com/troll24info.htm. Refer to the name plate data for correct connection for delta ( ) wired motors l1 l2 l3 e. I learned from comments placed here by other. Refer to the motor manufacturer's data on the motor for wiring diagrams on standard frame ex e, ex d etc. Onboard chargers are equipped with positive and negative leads for each battery. The 24 volt starting system was not giving me any trouble but i really didn't want a third battery in the back of my landcruiser and there should be no problem starting on a 12volt 2.5kw starter. No more hassle with wiring anymore the perfect 12, 24 and 36 volt series connections every time! Most trolling motors for kayaks will be either 12 volt or 24 volt. Let me see if i can find a wiring diagram for you.

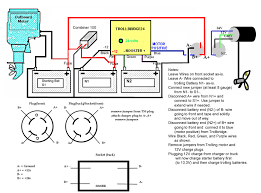
Motorguide trolling motor diagram 3 brute 56 12 24 to v minn 24v plug wiring volt schematic 4 wire elimination for boat a battery kota rt74 full 767 dc 12v pin batteries with system marinco need internal help old. How to connect a 12 volt trolling motor and circuit breaker to your battery. Join our community of 625,000+ engineers. Installing 24v and 36v battery system for trolling motor. They only supply a wiring diagram that is good.

Minn Kota Trolling Motor Control Board 2884053 Fortrex 112 Us2 For Sale Online Ebay
Minn Kota Trolling Motor Control Board 2884053 Fortrex 112 Us2 For Sale Online Ebay from i.ebayimg.com
The perfect 24v series trolling motor and battery connection. There are two things that will be present in almost any 24 volt trolling motor wiring diagram. The motor runs when the switch is in the closed state, and stops when the switch opens. Onboard chargers are equipped with positive and negative leads for each battery. Most trolling motors for kayaks will be either 12 volt or 24 volt. Ideal for trolling motors on board chargers, depth. Is there anything else the marine mechanic should be aware of? Installing 24v and 36v battery system for trolling motor.

24 volt dc motor is best for generate electricity.

They only supply a wiring diagram that is good. Symbols that represent the components inside the circuit, and lines that represent the connections between them. An alternative to this design is to build a latching circuit allowing the use of momentary contact switches most on/off motor control circuits in the united states are some variation on this wiring theme, if not identical to it. Most trolling motors for kayaks will be either 12 volt or 24 volt. Here you will find the necessary wiring diagrams, schematics, circuits. The segments are connected to wire electromagnet winding on the rotor. Narrow your search by selecting motor type, gearbox, voltage, and phase options for your desired motor. A wiring diagram is a kind of schematic which uses abstract pictorial symbols showing each of the interconnections of components in the system. Even you can generate up to 24 volt ac. How to charge a trolling motor battery from the outboard motor is simple using an alternator charger. Does the trolling motor protect the 12 volt engine from to much voltage. If i can hard wire it, how do i do it since its 24v? 3ø wiring diagrams diagram dd1.

Wiring diagrams include a pair of things: The 24 volt starting system was not giving me any trouble but i really didn't want a third battery in the back of my landcruiser and there should be no problem starting on a 12volt 2.5kw starter. How to connect a 12 volt trolling motor and circuit breaker to your battery. Top models compared based on design & hardware. Refer to the motor manufacturer's data on the motor for wiring diagrams on standard frame ex e, ex d etc.

Diagram Based Wiring Diagram With Trolling Motor 36 Volt
Diagram Based Wiring Diagram With Trolling Motor 36 Volt from ebs.koukicremaster.space
Electric wiring diagrams, circuits, schematics of cars, trucks & motorcycles. An alternative to this design is to build a latching circuit allowing the use of momentary contact switches most on/off motor control circuits in the united states are some variation on this wiring theme, if not identical to it. 24 volt dc motor is best for generate electricity. Does the trolling motor protect the 12 volt engine from to much voltage. Home » wiring diagram » 24 volt trolling motor wiring diagram. 24 volt trolling motor wiring. Onboard chargers are equipped with positive and negative leads for each battery. A wiring diagram is a kind of schematic which uses abstract pictorial symbols showing each of the interconnections of components in the system.

Top models compared based on design & hardware.

I kept all my original wiring and batteries in place and the 24v motor in the back just in case i need to revert. A wiring diagram is a kind of schematic which uses abstract pictorial symbols showing each of the interconnections of components in the system. 24 volt trolling motor wiring. Let me see if i can find a wiring diagram for you. Discussion in 'onboard electronics & controls' started by boatbybrylk, nov 18, 2011. I've purchased the book 12 volt bible for boats & have been learning much about the. Ideal for trolling motors on board chargers, depth. If i can hard wire it, how do i do it since its 24v? Positive to neg, in a loop going to the motor. Installing 24v and 36v battery system for trolling motor. The segments are connected to wire electromagnet winding on the rotor. Motor vehicle maintenance & repair stack exchange is a question and answer site for mechanics and diy enthusiast owners of cars, trucks, and thank you, i found a solution to my dilemma they have diagrams on their site also i have a response below explaining more yandina.com/troll24info.htm. Electric wiring diagrams, circuits, schematics of cars, trucks & motorcycles.

By